Участок гориз. бурения
+7 (913) 628-71-82
Участок сварки ПЭ труб
+7 (913) 628-71-67
Офис/магазин
+7 (3812) 51-82-97

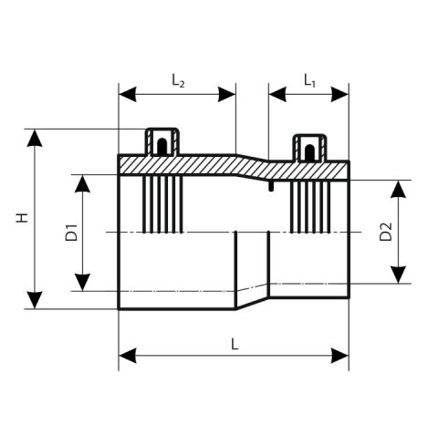
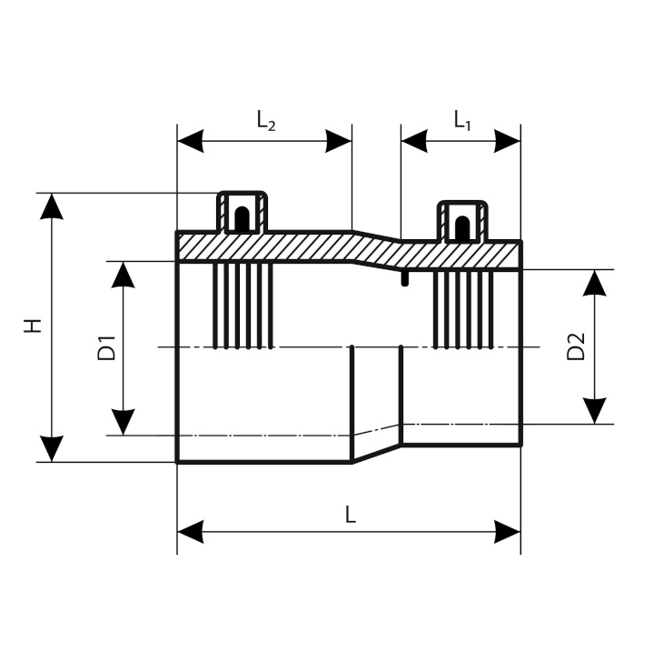
Переход электросварной ПЭ100 SDR 11 - 17,6

Электросварной переход ALLURE обеспечивает соединение полиэтиленовых труб разных диаметров в единую систему. Изготовлен из ПЭ100 с интегрированными нагревательными элементами, что позволяет выполнять герметичную сварку без использования переходных вставок или фланцев.

Характеристики

  • Материал: полиэтилен ПЭ100
  • Серия давления: SDR 11 — SDR 17,6
  • Тип: редукционный переход
  • Метод соединения: электросварка
  • Рабочая температура: −20°C до +40°C
  • Соответствие: ГОСТ Р ИСО 11413, EN 12201
  • Бренд: ALLURE

Преимущества

  • Соединение труб разных диаметров без дополнительных элементов
  • Монолитная конструкция — нет риска разрыва в месте перехода
  • Универсальность — поддерживает широкий диапазон типоразмеров
  • Химическая инертность к воде, газу, агрессивным жидкостям
  • Минимизация гидравлических потерь благодаря плавной форме перехода

Область применения

Реконструкция трубопроводов, разветвлённые сети водо- и газоснабжения, промышленные системы с различными диаметрами трасс.

Скачать каталог PDF

Позиции

Арт. Диаметр Вес, г В коробке Цена, руб. Заказать
ALR-PR-63x32 63×32 мм 240 10 440.00 Р
ALR-PR-63x40 63×40 мм 250 10 460.00 Р
ALR-PR-63x50 63×50 мм 260 10 480.00 Р
ALR-PR-110x63 110×63 мм 755 4 840.00 Р
ALR-PR-110x90 110×90 мм 860 4 920.00 Р