Участок гориз. бурения
+7 (913) 628-71-82
Участок сварки ПЭ труб
+7 (913) 628-71-67
Офис/магазин
+7 (3812) 51-82-97

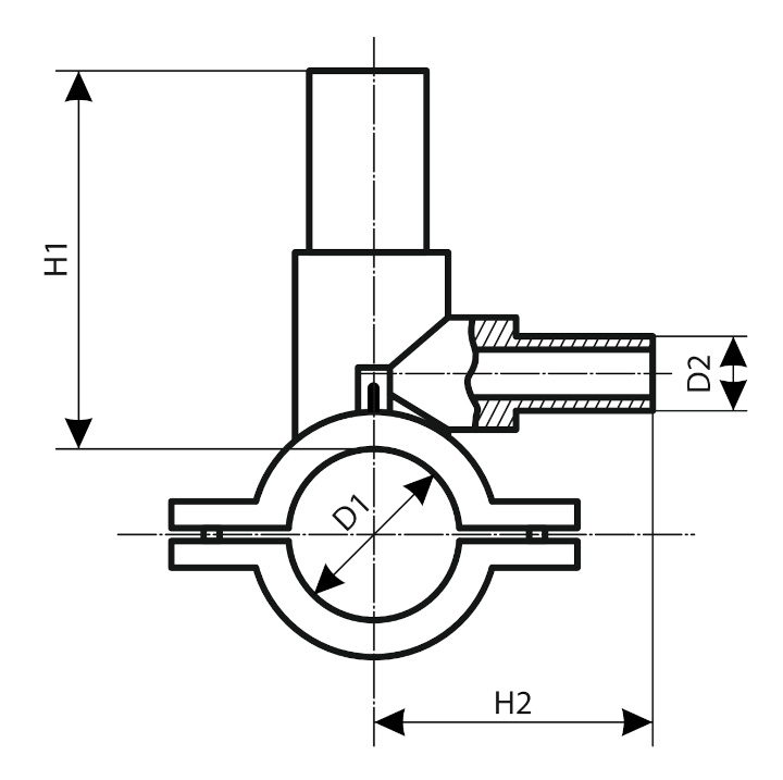
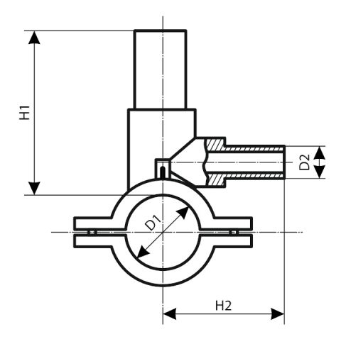
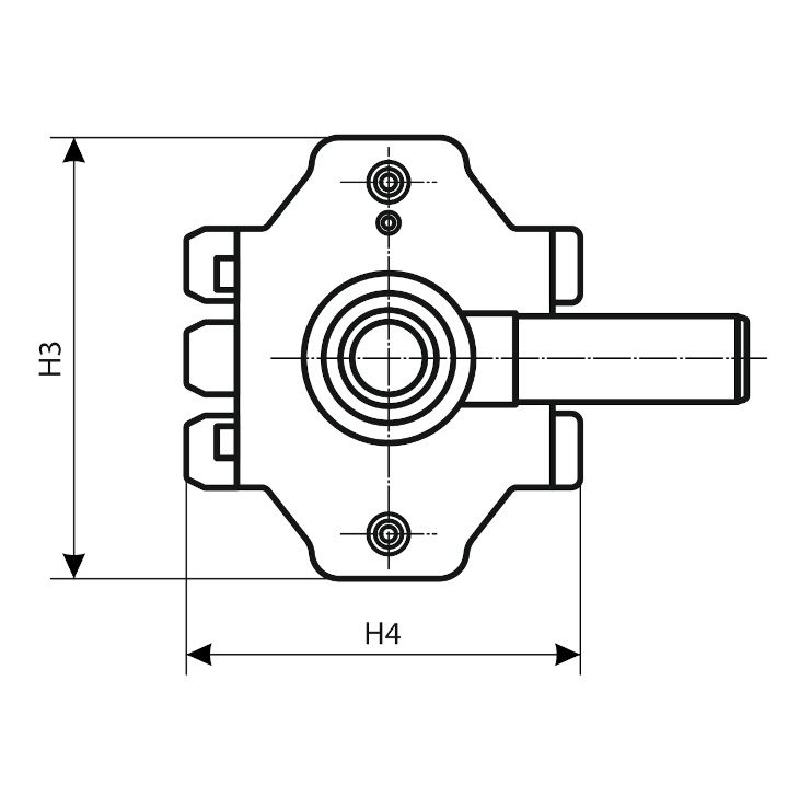
Седловой отвод электросварной

Электросварной седловой отвод ALLURE предназначен для врезки ответвления в действующий или строящийся полиэтиленовый трубопровод без его демонтажа. Седловая форма корпуса обеспечивает надёжное прилегание к трубе любого диаметра, а встроенный нагревательный элемент формирует прочный сварной шов по всему периметру контакта.

Характеристики

  • Материал: полиэтилен ПЭ100
  • Применяется на трубах: ПЭ80, ПЭ100
  • Метод соединения: электросварка (седловой тип)
  • Встроенный нагревательный элемент по всей площади опоры
  • Рабочая температура: −20°C до +40°C
  • Соответствие: ГОСТ Р 52779, EN 12201, ISO 8085
  • Бренд: ALLURE

Преимущества

  • Врезка ответвления без остановки транспортировки среды (при наличии шарового крана)
  • Не требует демонтажа основного трубопровода
  • Большая площадь контакта — надёжное соединение даже при вибрациях
  • Минимальные трудозатраты при подключении новых абонентов
  • Широкий диапазон типоразмеров — от DN 63 до DN 630

Область применения

Подключение новых абонентов к магистральным водо- и газопроводам, ремонтные врезки, реконструкция и расширение существующих сетей.

Скачать каталог PDF

Позиции

Арт. Диаметр Вес, г В коробке Цена, руб. Заказать
ALR-SD-63x32 63×32 мм 550 6 2 700.00 Р
ALR-SD-63x63 63×63 мм 710 4 3 240.00 Р
ALR-SD-110x32 110×32 мм 720 4 3 870.00 Р
ALR-SD-110x63 110×63 мм 865 4 4 050.00 Р
ALR-SD-160x32 160×32 мм 880 2 5 220.00 Р
ALR-SD-160x63 160×63 мм 1050 2 5 400.00 Р